Gniazdo DUPLEX R 2x230V Schuko stal nierdzewna
Wystaw opinię o produkcie
Kod produktu: 820.52.711
Opis
Gniazdo meblowe z otwieraniem 2x230V Schuko stal nierdzewna
Gniazdo meblowe DUPLEX R to zaawansowane rozwiązanie do blatów kuchennych, wyróżniające się systemem otwierania i zamykania za pomocą przycisku. Obudowa oraz elementy wewnętrzne wykonane są z prawdziwej stali nierdzewnej. Dzięki zintegrowanemu odpływowi wody i niewielkiej głębokości montażowej (ok. 45,5 mm), produkt idealnie nadaje się do kuchni, również nad szufladami. Montaż możliwy jest zarówno przez klejenie, jak i zaciskowo – co zapewnia elastyczność instalacyjną.
Najważniejsze cechy gniazda DUPLEX R:
- 2 gniazda 230V Schuko (typ F)
- Otwieranie i zamykanie pokrywy za pomocą przycisku
- Obudowa i mechanizm wykonane ze stali nierdzewnej
- Zintegrowany odpływ wody – zwiększona odporność na wilgoć
- Bardzo płytka zabudowa – tylko 45,5 mm
- Do blatów o grubości od 8 mm
- Montaż zaciskowy lub na klej
- Kolor wykończenia: stal nierdzewna
Zastosowanie:
Gniazdo meblowe z otwieraniem 2x230V Schuko stal nierdzewna
gniazdo meblowe z elektrycznym otwieraniem 2x230V Schuko czarne DUPLEX R to doskonały wybór do kuchni, gdzie estetyka i funkcjonalność idą w parze. Dzięki zautomatyzowanemu otwieraniu oraz możliwości montażu nawet nad szufladami, gniazdo sprawdzi się w nowoczesnych projektach kuchennych, wyspach roboczych i meblach o ograniczonej głębokości.
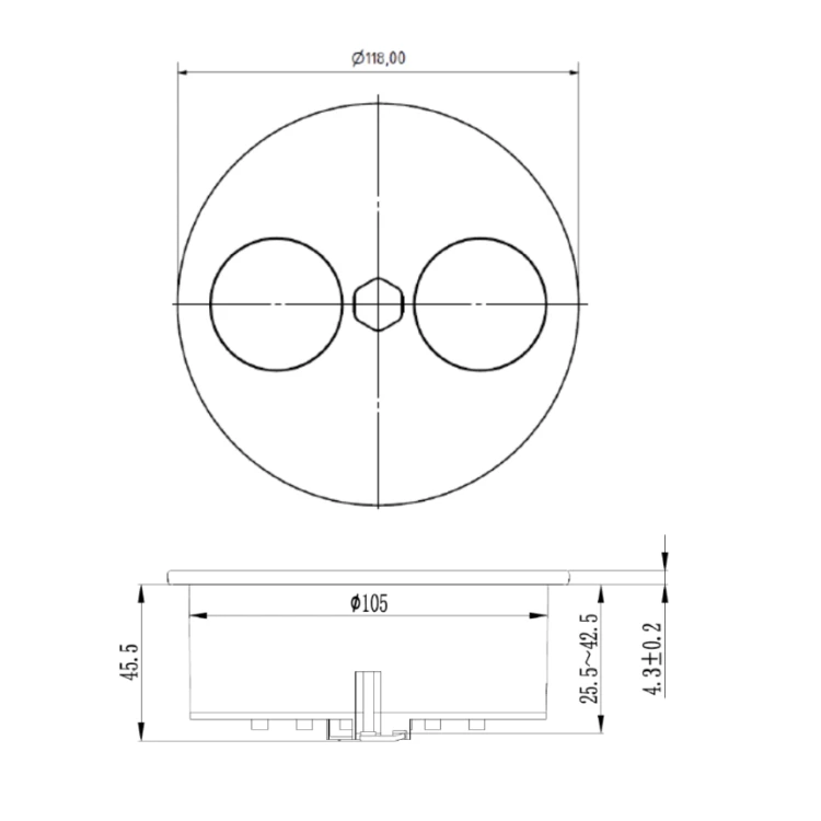
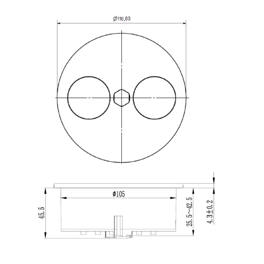
Dane techniczne:
- Napięcie znamionowe: 230 V
- Gniazda: 2x230V Schuko (typ F)
- Głębokość montażowa: ok. 45,5 mm
- Wymiary zewnętrzne: ⌀118 mm
- Wymiary otworu montażowego: ⌀105 mm
- Grubość blatu: min. 8 mm
- Montaż: zaciskowy lub do klejenia
- Kolor: stal nierdzewna
Informacje dodatkowe:
- Kod produktu: 820.52.711
- Kod producenta: 301101
- EAN: 4066236750269
Opinie
Jeśli dodałeś/-aś recenzję, a nie pojawiłą się na liście, być może oczekuje na moderację.